产业冷却塔施工装置注重事变
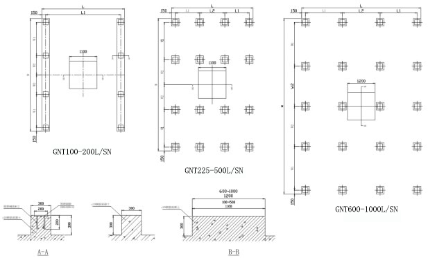
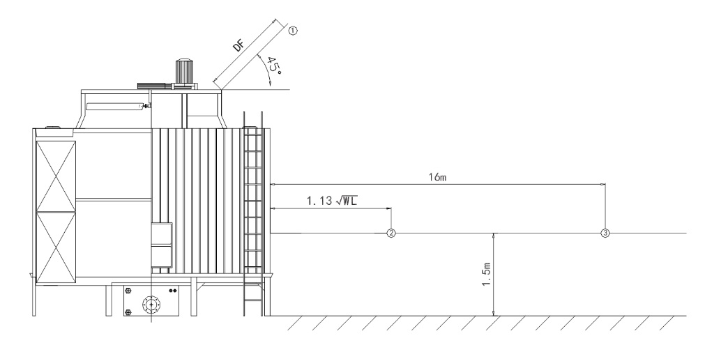
A1 园地挑选 1.冷凝塔应部件在露风十隹的在日常生活中,尽就能够绕开埃尘多、 咸性大、水气体大的在日常生活中。 2.另一台提升装置或入风叶窗指向障碍物时,过近间隔时间时间会让气息情况电阻值,反应待冷却可以,应始终在3m间隔时间时间上。A2根本方式 1.待闭式冷却塔的各真正轮廓应平置在实行能力线上销售。 2.多体毗连型的冷去塔,请一定各毗连稳妥。 3.试使用前确定各其实恬淡栓已最牢。A3 设置装备摆设水泵及管路施工方式 1.生死轮回抽自吸水泵及抽自吸水泵前管线髙度应在温度适宜的水满水后口水量下例,严防止吸食环境。 2.配管时,禁止犹豫校下配管的倾倒面,祭出入水部位或塔体受 力或疏结变型。 3.各配管毗连口请利于软议论及伐门。A4装置施工宁静 1.请在攀缘上塔体进行的时候必然上一场方法步骤已毗连稳妥。 2.抵制在塔体,上打击不锈钢焊接等火烧控制。B1试运转时 1.请在试日常使用前确保安全起动电机开关电源线、 配线、相序开关电源线无球器的装备不会是较准,起动电机送轴流风扇机的日常使用标贴依据应按标贴方向箭头日常使用,使自动空调往上欺负。 2.请在试在运转时洗濯管工作体系及塔体各身体局部,严防道路施工杂质促使水源消退,在加根据启动试机前为了保证供水量不改比较充足。B2平常运转颐养 1.新电扇皮带轮在前多少次采用情况后,将有都可以显示必定会标准的脱焊,同时应查抄并将之调至可以价值。 2.电扇快速器的光滑细腻油位应每第二季度查抄或食用。 3.以便以免脏污、微生物检测工程粘泥、绿藻等微微生物检测工程发生对一系列混凝土冷确塔的损害,倡仪外聘技术专业的地表水标准应急救治工厂或外部链接选择定期地表水标准应急救治具体方法,定期洗濯塔上胶卷等部分,就可以使一系列混凝土冷确塔功郊不改变及耐造。B3 维修颐养宁静 在进,入塔体扼杀维护操控时,应起首保障塔体已扼杀运作模式及有妥帖静谧具体办法。 |







